В начале этого года в открытое обсуждение попала дорожная карта Intel с 2020 по 2022 годы, где упоминались четыре семейства процессоров: Tiger Lake, Rocket Lake, Alder Lake и Raptor Lake. Последнее должно сформировать линейку Core 13-го поколения и развить идеи гибридной структуры, заложенные в Alder Lake. Кроме того, многие обратили внимание на новый механизм управления питанием DLVR в Raptor Lake.

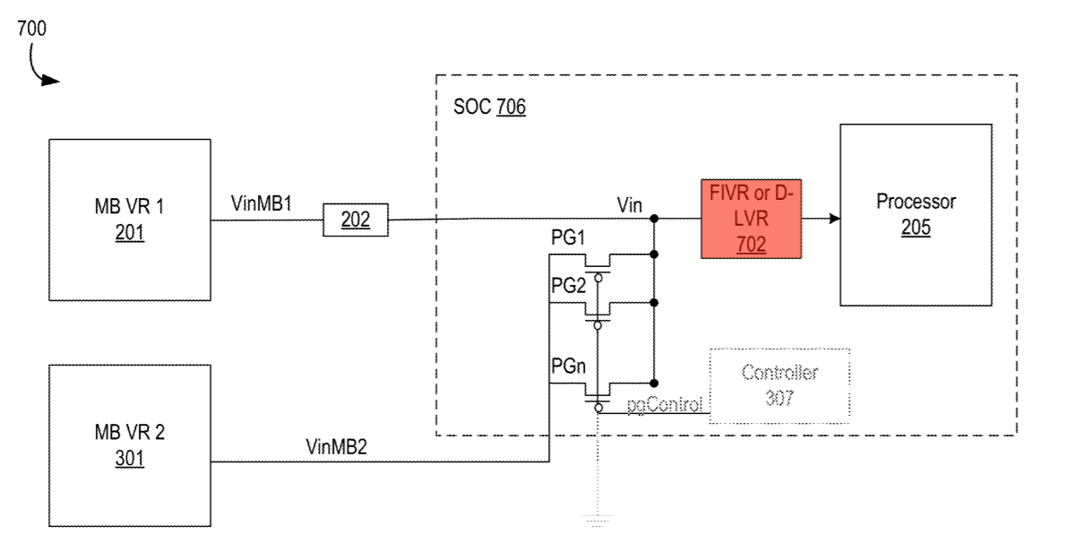
Недавно на Reddit появилась интересная ветка, как раз посвященная DLVR или Digital Linear Voltage Regulator. Один из пользователей обнаружил патент Intel, опубликованный 8 июля этого года. Он описывает «Метод и устройство ограничивающего цифрового линейного регулятора».

В документе утверждается, что путем размещения дополнительного регулятора напряжения рядом с первичным регулятором, например, на материнской плате, можно снизить энергопотребление процессора. Далее поясняется, что такая модификация подачи питания относительно дешевая в реализации и имеет невысокую сложность исполнения.

В этом случае важно определить входное напряжение для регулятора, чтобы учесть внезапные скачки нагрузки. За счет реализации цифрового линейного регулятора по отношению к первичному стабилизатору, входное напряжение ядра ЦП можно уменьшить, и в результате снижается энергопотребление.

Инженеры Intel пришли к выводу, что DLVR поможет снизить напряжение процессора на величину до 160 мВ. Это значение приведет к падению потребляемой мощности процессора на 20–25%. Кроме того, 21% снижение напряжения благоприятно отразится на производительности ЦП: +7%.

Как мы помним из предыдущих утечек, в семействе Raptor Lake количество малых ядер вырастет до 16 штук, благодаря чему флагман Core 13-го поколения будет оперировать 24 ядрами/32 потоками. В этом случае оптимизация энергопотребления явно окажется не лишней, учитывая высокие аппетиты текущего семейства Alder Lake. Зная политику Intel, для работы новых функций наверняка понадобится плата с чипсетами Intel 700-й серии.
Источник:
Videocardz